Our Products
- Broaching Machines, Vertical (4)
- CNC Drilling & Tapping Machines (1)
- CNC Drilling Machines (1)
- Gear Cutting Machines (1)
- Audio &Video (1)
- Cold forging (1)
- Automatic Assembly Machines (1)
Contact Information
Lutong Rd 18#,Yangshan,Huishan District,Wuxi,Jiangsu,China
Tel: 86-051-83957100
Fax: 86-051-83957100
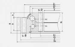
Double-Row Different Diameter Balls Slewing Ring With External Gear
Model: Double-Row Different Diameter Balls Slewing Ring W
Category: Machine Tools / Broaching / Slotting Machines / Broaching Machines, Vertical
Characteristics
Double-Row Different Diameter Balls Slewing Ring With External Gear
Specifications
1、This series of slewing bearing is mainly made up of in-up rings, /n-down rings and outside rings. The diameters of up-row and down-row balls are different; it is suitable for high precision mounting and capable to bear axial force, resultant torque and considerable large radial force.Its loading capabilities are better than single-row slewing rings.
2、The n1 means the number of lubricating holes, evenly distributed, lubricating nipple M10×1JB/T7940.1.
3、Gear force of periphery given in the table is its maximum value; nominal force of periphery is taken 1/2 of the given value.
4、The recovery data of the gear given in the table are all of 0.5.
5、The series given in following table are our company s conventional types. We can also manufacture special type of products as customer's requirement.
http://www.lidaslewingbearing.com
Featured products
-

Double-Row Same Diameter Balls Slewing Ring Without Gear
-

Double-Row Same Diameter Balls Slewing Ring With Internal Gear
-

Double-Row Same Diameter Balls Slewing Ring With External Gear
-

Double-Row Different Diameter Balls Slewing Ring Without Gear
-

Double-Row Different Diameter Balls Slewing Ring With Internal Gear
-

Double-Row Different Diameter Balls Slewing Ring With External Gear
-

Three-Row Roller Slewing Ring With External Gear

